EC2205-9BB5H按键切换开关芯片
一、 功能说明
一路按键Key输入控制,二路电平信号输出Led11,Led2,外加一路指示灯Led3,上电不工作,短按切换颜色,长按3S开机同时LED1亮,短按依次为:Led2亮,Led1Led2亮,Led1亮,依次循环
在开机状态下,长按3秒关机,有不断电记忆功能(关机为Led1亮,下次开机则为Led1亮)
Led3为电量指示灯,电压低于3.0V时,LED3指示灯闪烁,频率为0.5HZ快闪,此时按按键,负载可正常工作;电压低于2.7V,负载不工作,LED3闪5下灭
二、 电气参数(VDD=5.0V,GND=0,TA=25℃)
|
参数 |
符号 |
z小值 |
典型值 |
z大值 |
单位 |
条件 |
|
工作电压 |
VDD |
2.2 |
3.0 |
5.5 |
V |
|
|
工作电流 |
IOP |
|
1.5 |
|
mA |
|
|
静态电流 |
ISTB |
|
10 |
|
uA |
VDD=5.0V |
|
驱动电流低电平输出 |
IOL |
|
20 |
|
mA |
VDD=5.0V,VOL=0.5V |
|
驱动电流高电平输出 |
IOH |
|
10 |
|
mA |
VDD=5.0V,VOH=4.5V |
|
工作温度 |
TA |
-20 |
25 |
85 |
℃ |
|
|
储存温度 |
Tstg |
-20 |
25 |
100 |
℃ |
|
三、 封装脚位图(SOP8)
四、 PIN引脚及功能描述
|
管脚号 |
符号 |
功能描述 |
|
1 |
VDD |
IC正极 |
|
2 |
Led3 |
指示灯,高有效 |
|
3 |
Key |
按键触发脚,低有效 |
|
4 |
NC |
悬空 |
|
5 |
Led2 |
输出脚,高有效 |
|
6 |
Led1 |
输出脚,高有效 |
|
7 |
NC |
悬空 |
|
8 |
GND |
IC负极 |
五、参考电路图
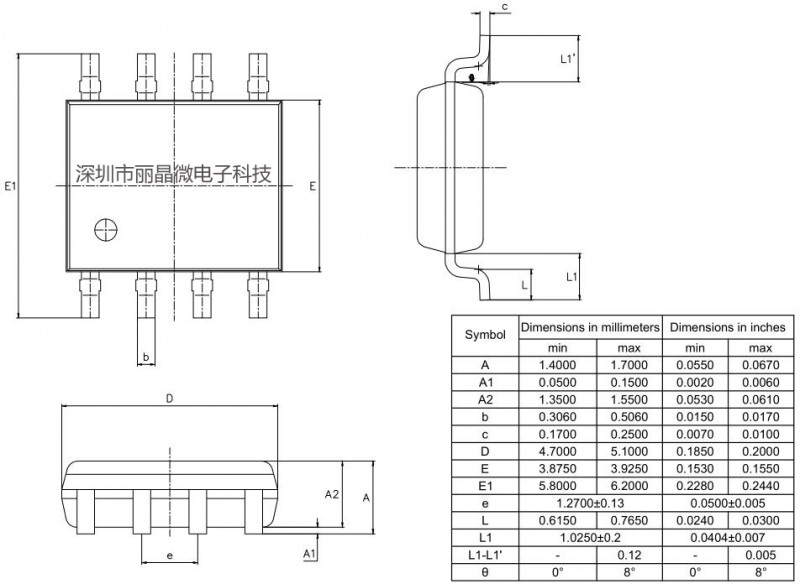
六、 封装尺寸图(SOP8)
七、版本说明
|
版本 |
日期 |
描述 |
|
EC2205-9BB5H |
2022/4/29 |
V01初版 |


