34BB四键触摸调光芯片
一. 功能说明
供电范围:DC10-12V通过LDO稳压至5.0V供电。四路触摸输入,两路LED高电平输出。上电不工作。
触摸1:开/关。短按一下开,短按一下关,上电默认100%亮度。有不断电记忆,记忆关闭前亮度和色温。
触摸2:色温转换。短按一下白灯100%,再短按一下暖灯100%,再短按一下暖白各50%,依次循环。
触摸3:亮度加。每按一下亮度加10%,共10档。
触摸4,亮度减。每按一下亮度减10%,共10档。
二. 电气参数(VDD=5.0V TA=25℃)
工作电压:2.4V-5.5V;
工作电流:1.6mA;
静态电流:20mA;
驱动电流低电平输出:15mA;
驱动电流高电平输出:15mA;
工作温度:-40°-85°;
储存温度:-40°-125°;
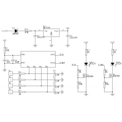
三. 电路图参考
四. 封装尺寸图(SOP-8)
五. 版本说明
|
版本 |
日期 |
描述 |
|
34BB |
2025/3/10 |
V01初版 |

